Design Files
Receive the full breakdown. See the product footprint and more in the eCad file.
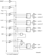
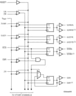
The SSTU32866 is a 1.8 V configurable register specifically designed for use on DDR2 memory modules requiring a parity checking function. It is defined in accordance with the JEDEC JESD82-7 standard for the SSTU32864 registered buffer, while adding the parity checking function in a compatible pinout. The JEDEC standard for SSTU32866 is pending publication. The register is configurable (using configuration pins C0 and C1) to two topologies: 25-bit 1:1 or 14-bit 1:2, and in the latter configuration can be designated as Register A or Register B on the DIMM.
The SSTU32866 accepts a parity bit from the memory controller on its parity bit (PAR_IN) input, compares it with the data received on the DIMM-independent D-inputs and indicates whether a parity error has occurred on its open-drain QERR pin (active-LOW). The convention is even parity, that is, valid parity is defined as an even number of ones across the DIMM-independent data inputs combined with the parity input bit.
The SSTU32866 is packaged in a 96-ball, 6 x 16 grid, 0.8 mm ball pitch LFBGA package (13.5 mm by 5.5 mm).
|
|
|
|
|
|
|
|---|---|---|---|---|---|
|
|
|
|
|
|
|
|
|
|
|
|
|
|
|
|
|
|
|
|
|
|
|
|
|
|
|
|
|
|
|
|
|
|
|
|
|
|
|
|
|
|
|
|
|
|
|
|
|
|
|
|
|
|
|
|
|
|
|
|
|
|
|
|
|
|
|
|
|
|
Quick reference to our documentation types
2 documents
Compact List
Please wait while your secure files are loading.
Receive the full breakdown. See the product footprint and more in the eCad file.
Receive the full breakdown. See the product footprint and more in the eCad file.