Application Note (5)
Data Sheet (1)
Package Information (1)
Packing Information (1)
User Guide (2)
-
PCA9698 demonstration board OM6281[UM10267]
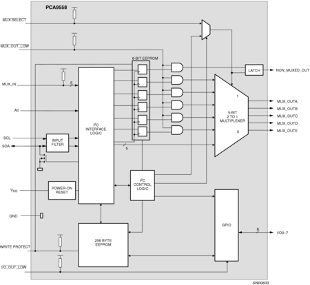
The PCA9558 is a highly integrated, multi-function device that is composed of a 5-bit multiplexed/1-bit latched 6-bit I²C-bus/SMBus EEPROM DIP switch, an 8-bit I/O expander and a 2-kbit serial EEPROM with write protect. The PCA9558 integrates these commonly used components into a single chip to reduce component count and board space requirements and is useful in computer, server and telecom/networking applications.
The PCA9558 has one address pin, allowing up to two devices to be placed on the same I²C-bus or SMBus.
|
|
|
|
|
|
|
|---|---|---|---|---|---|
|
|
|
|
|
|
|
|
|
|
|
|
|
|
|
|
|
|
|
|
|
|
|
|
|
|
|
|
|
|
|
|
|
|
|
|
|
|
|
|
|
|
|
|
|
|
|
|
|
|
|
|
|
|
|
|
|
|
|
|
|
|
|
|
|
|
|
|
|
|
Quick reference to our documentation types
10 documents
Compact List
Please wait while your secure files are loading.
1 design file
Receive the full breakdown. See the product footprint and more in the eCad file.
Please wait while your secure files are loading.