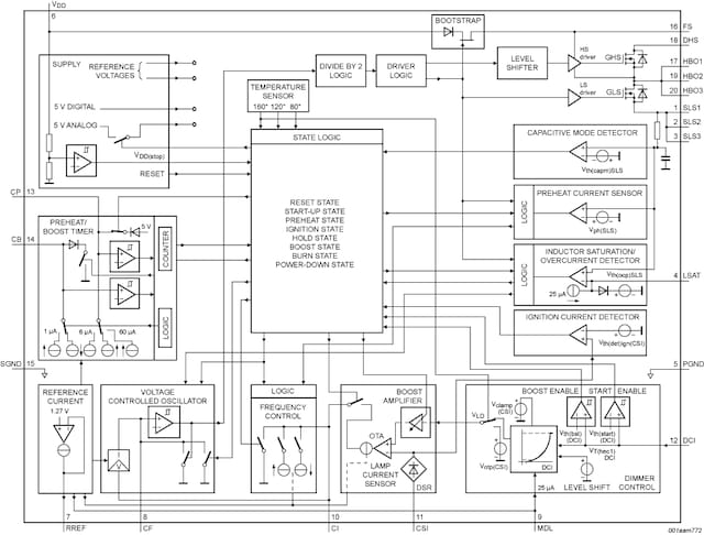
The UBA20271 is a high voltage Power IC intended to drive and control high power self ballasted dimmable Compact Fluorescent Lamps (CFL) for 120V mains. The UBA20271 includes a half-bridge power circuit made up of two NMOST power FETs with advanced features for dimming and a lamp current controlled boost feature for boosting cold (amalgam) CFL lamps. The controller contains a half-bridge drive function, including a high voltage level-shift circuit with integrated bootstrap diode, an oscillator function, a current control function both for preheat and burn, timer function and protection circuits. The UBA20271 is supplied via a high-efficient dV/dt supply circuit.