Power Supply with Multiple Linear Regulators

  • This page contains information on a product that is no longer manufactured (discontinued). Specifications and information herein are available for historical reference only.

See product image

Product Details

Block Diagram

Power Supply with Multiple Linear Regulators

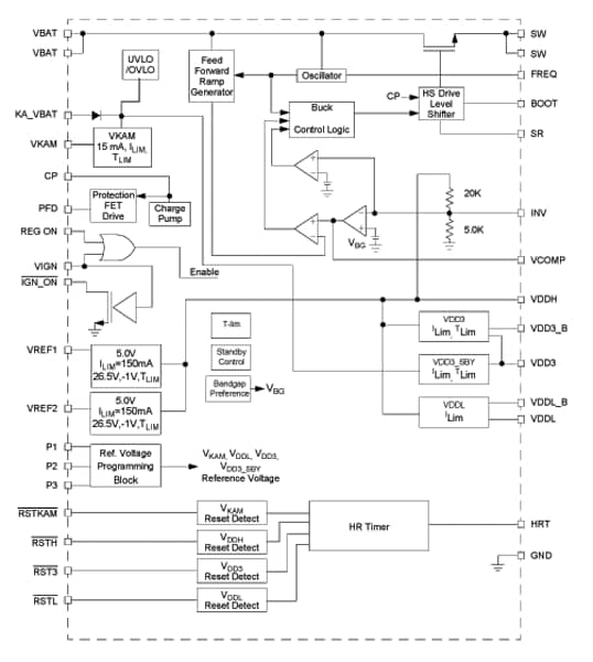
NXP<sup>&#174;</sup> MC33730 Power Actuation Block Diagram

Features

Key Features

  • Provides all regulated voltages for Our 32-bit and other microcontroller families and their logic and analog functions
  • Adjustable frequency switching buck regulator with slew-rate control
  • Power sequencing provided
  • Programmable voltages VDDL, VDD3 - 3% accuracy
  • Programmable standby regulator VKAM - 15% accuracy, operating down to 4.5 V at KA_VBAT pin
  • VDD3 can be programmed as an optional second standby regulator with 15% accuracy
  • Provides two 5.0 V protected supplies for sensors
  • Provides reverse battery protection FET gate drive
  • Provides necessary MCU monitoring and fail-safe support
  • 5 linear / LDO regulators
  • Single buck regulator
  • Supply voltage min. 4.5 V, max. 26.5 V
  • Output voltage 5 V
  • Output current 0.15 A

Buy/Parametrics










































































































Documentation

Quick reference to our documentation types

6 documents

Compact List

Application Note (2)
Data Sheet (1)
Errata (1)
User Guide (2)

Design Files

Hardware

Quick reference to our board types.

1-5 of 9 hardware offerings

Show All

Support

What do you need help with?