
OM17000
No Longer Manufactured
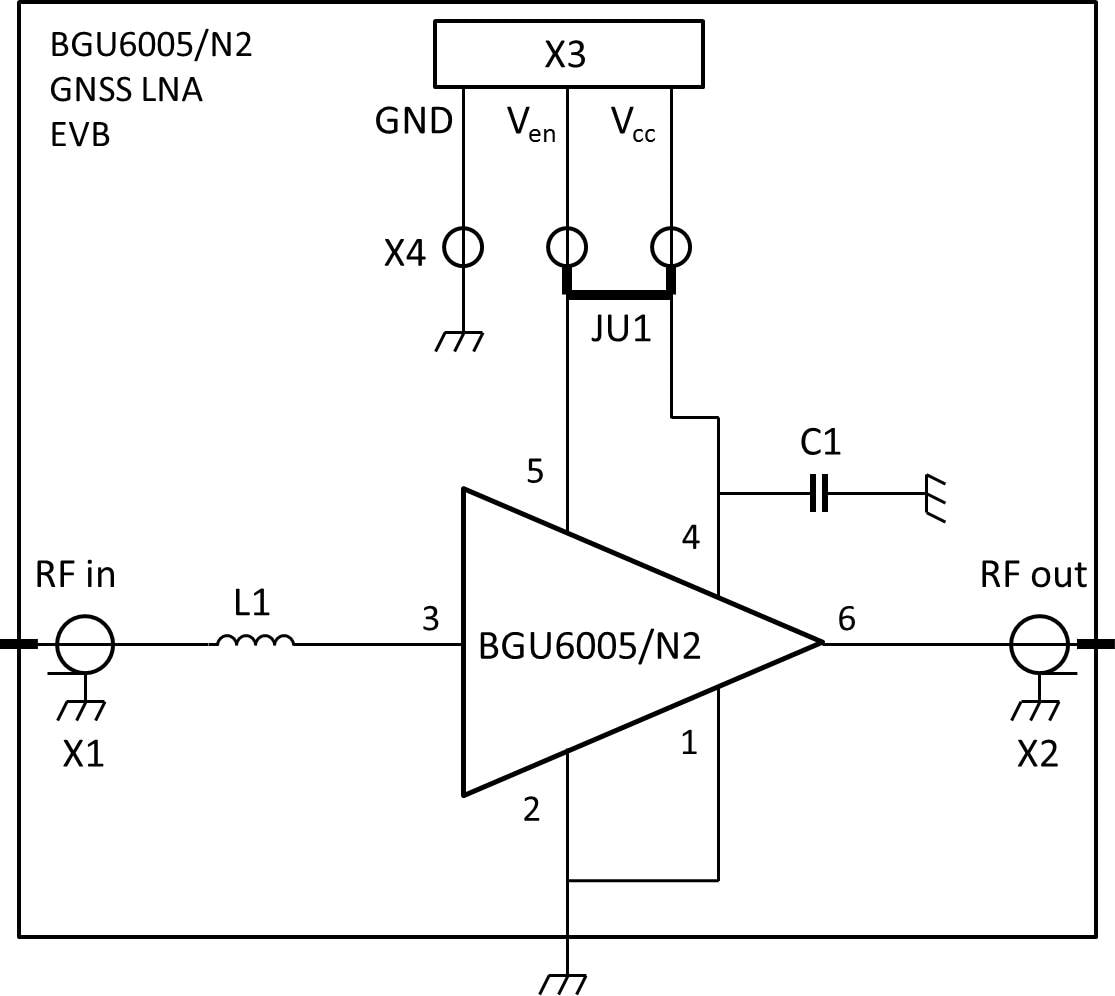
BGU6005/N2 GPS LNA evaluation board.
Kit Contains
- BGU6005/N2 LNA evaluation board in ESD safe packing


