Sign in to access this content and additional site features.
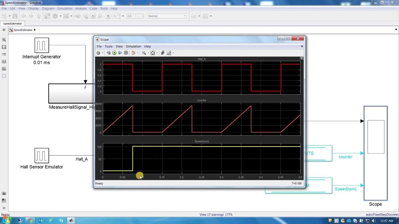
Implement, simulate and test a Speed Estimator based on hall sensors information related to rotor position and compare the speed estimator accuracy against the real motor speed.
For further questions please join our community