Application Note (2)
Data Sheet (1)
-
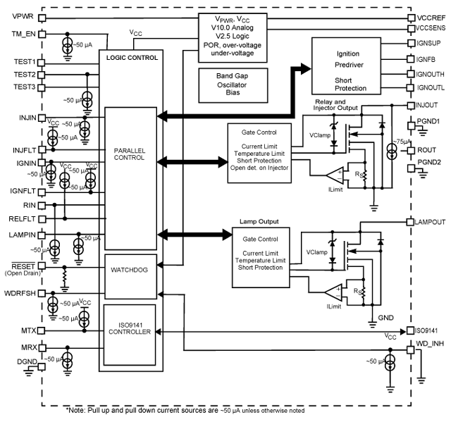
Multifunctional Ignition and Injector Driver[MC33812]Featured
Fact Sheet (1)
-
SMALLENGINELF, Small engine leaflet - Fact sheet[SMALLENGINELF]
The NXP® MC33812 is an engine control analog power IC intended for motorcycle and other single/dual cylinder small engine control applications.

Note: To see the product features close this window.
|
|
|
|
|
|
|
|---|---|---|---|---|---|
|
|
|
|
|
|
|
|
|
|
|
|
|
|
|
|
|
|
|
|
|
|
|
|
|
|
|
|
|
|
|
|
|
|
|
|
|
|
|
|
|
|
|
|
|
|
|
|
|
|
|
|
|
|
|
|
|
|
|
|
|
|
|
|
|
|
|
|
|
|
Quick reference to our documentation types
6 documents
Compact List
Please wait while your secure files are loading.
Receive the full breakdown. See the product footprint and more in the eCad file.
Receive the full breakdown. See the product footprint and more in the eCad file.
3 hardware offerings



Quick reference to our software types.
1 software file
Note: For better experience, software downloads are recommended on desktop.
Please wait while your secure files are loading.
4 engineering services
There are no results for this selection.
To find additional partner offerings that support this product, visit our Partner Marketplace.