S12VR Mixed-Signal MCU for Automotive and Industrial Relay Based Motor Control
Design Files
Receive the full breakdown. See the product footprint and more in the eCad file.
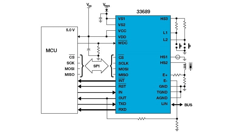
The NXP® MC33689 is a serial peripheral interface (SPI) controlled system basis chip that combines frequently used functions in an MCU-based system with a LIN transceiver. Applications include power window, mirror, and seat controls.


Note: To see the product features close this window.
S12VR Mixed-Signal MCU for Automotive and Industrial Relay Based Motor Control
|
|
|
|
|
|
|
|---|---|---|---|---|---|
|
|
|
|
|
|
|
|
|
|
|
|
|
|
|
|
|
|
|
|
|
|
|
|
|
|
|
|
|
|
|
|
|
|
|
|
|
|
|
|
|
|
|
|
|
|
|
|
|
|
|
|
|
|
|
|
|
|
|
|
|
|
|
|
|
|
|
|
|
|
Quick reference to our documentation types
5 documents
Compact List
Please wait while your secure files are loading.
Receive the full breakdown. See the product footprint and more in the eCad file.
Receive the full breakdown. See the product footprint and more in the eCad file.
4 engineering services
There are no results for this selection.
To find additional partner offerings that support this product, visit our Partner Marketplace.