FlexRay Node Transceiver - Clamp 30

Block Diagram

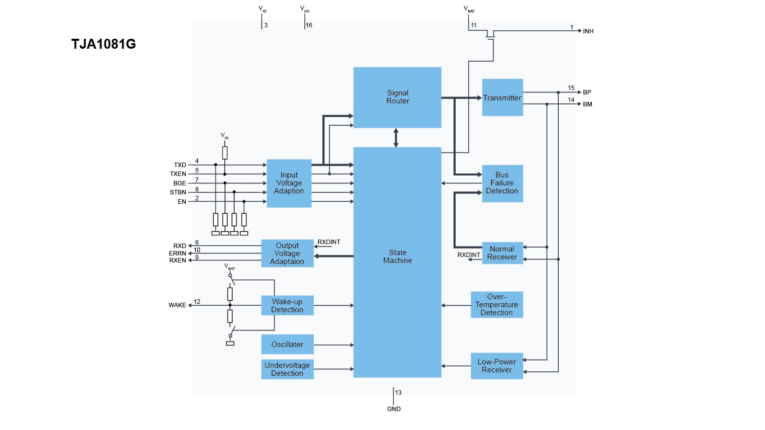
TJA1081G

TJA1081G Block Diagram

Features

Optimized for time-triggered communication systems

  • Compliant with ISO 17458-4:2013 (see Ref. 2)
  • Automotive product qualification in accordance with AEC-Q100
  • Data transfer rates from 2.5 Mbit/s to 10 Mbit/s
  • Supports 60 ns minimum bit time at 400 mV differential input voltage
  • Very low ElectroMagnetic Emission (EME) to support unshielded cable, meeting the latest industry standards
  • Differential receiver with high common-mode range for excellent ElectroMagnetic Immunity (EMI), meeting the latest industry standards
  • Auto I/O level adaptation to host controller supply voltage VIO
  • Can be used in 14 V, 24 V and 48 V powered systems
  • Instant transmitter shut-down interface (BGE pin)

Low-power management

  • Very low current consumption in Standby mode
  • Remote wake-up via a wake-up pattern or dedicated FlexRay data frames on the bus lines

Diagnosis and robustness

  • Enhanced supply voltage monitoring for VCC and VIO
  • Two error diagnosis modes:
    • Status register readout via the Serial Peripheral Interface (SPI)
    • Simple error indication via pin ERRN
  • Overtemperature detection
  • Short-circuit detection on bus lines
  • Power-on flag
  • Clamping diagnosis for pins TXEN and BGE
  • Bus pins protected against ±6 kV ESD pulses according to IEC61000-4-2 and ±8 kV according to HBM
  • Bus pins protected against transients in automotive environment (according to ISO 7637 class C)
  • Bus pins short-circuit proof to battery voltage (14 V, 24 V and 48 V) and ground
  • Maximum differential voltage between pins BP or BM and any other pin of 60 V
  • Bus lines remain passive when the transceiver is not powered
  • No reverse currents from the digital input pins to VIO or VCC when the transceiver is not powered

Functional classes according to FlexRay Electrical Physical Layer specification V 3.0.1

  • Bus driver - bus guardian control interface
  • Bus driver - logic level adaptation
  • Bus driver - remote wake-up

Buy/Parametrics










































































































Documentation

Quick reference to our documentation types

1 documents

Compact List

Design Files

Support

What do you need help with?