FlexRay™ Node Transceiver - Clamp 30

See product image

Product Details

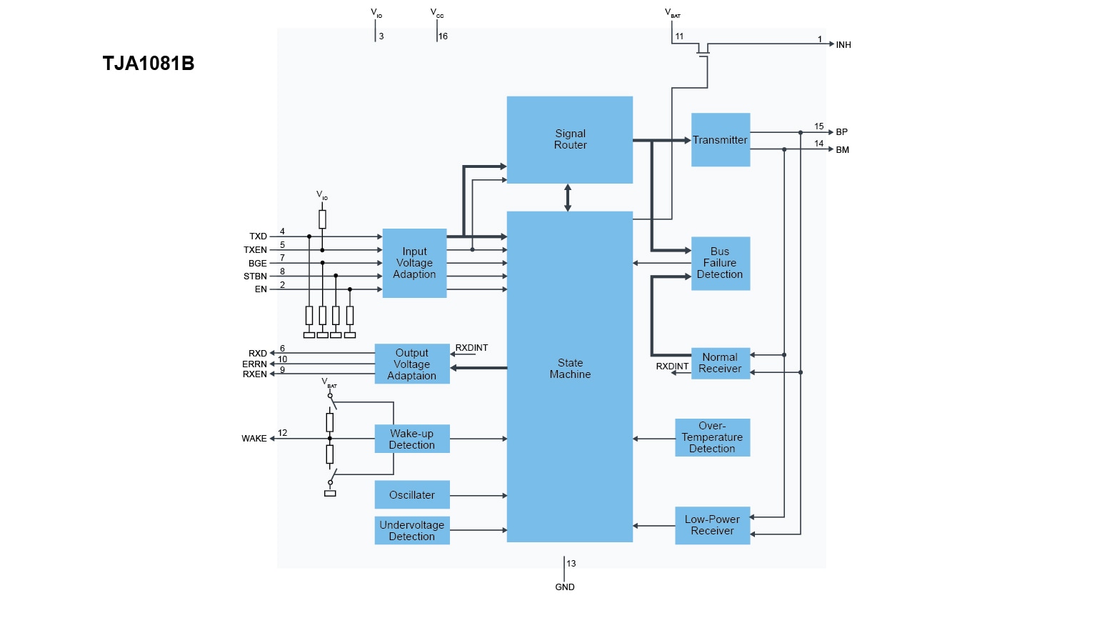
Block Diagram

TJA1081B Block Diagram

TJA1081B Block Diagram

Features

Optimized for Time Triggered Communication Systems

  • Compliant with FlexRay electrical physical layer specification V3.0.1
  • Meets JASPAR requirements as described in the ‘Bus driver increased voltage amplitude transmitter’ functional class
  • Automotive product qualification in accordance with AEC-Q100
  • Data transfer rates from 2.5 Mbit/s to 10 Mbit/s
  • Supports 60 ns minimum bit time at 400 mV differential input voltage
  • Very low ElectroMagnetic Emissions (EME) to support unshielded cable, meeting latest industry standards
  • Differential receiver with wide common-mode range for high ElectroMagnetic Immunity (EMI), meeting latest industry standards
  • Auto I/O level adaptation to host controller supply voltage VIO
  • Can be used in 14 V, 24 V and 48 V powered systems
  • Instant transmitter shut-down interface (via BGE pin)
  • Independent power supply ramp-up for VBAT, VCC and VIO

Low-power Management

  • Low-power management including inhibit switch
  • Very low current in Sleep and Standby modes
  • VBAT operating range: 4.75 V to 60 V
  • Gap-free specification
  • Local and remote wake-up
  • Supports remote wake-up via dedicated data frames
  • Wake-up source recognition

Diagnosis (Detection and Signaling)

  • Enhanced supply monitoring of VBAT, VCC and VIO
  • Overtemperature detection
  • Short-circuit detection on bus lines
  • VBAT power-on flag (first battery connection and cold start)
  • Clamping diagnosis on pin TXEN
  • BGE status feedback

Protection

  • Bus pins protected against ±6 kV ESD pulses according to IEC61000-4-2 and HBM
  • Pins VBAT and WAKE protected against ±6 kV ESD pulses according to IEC61000-4-2
  • Bus pins protected against transients in automotive environment (according to ISO 7637 class C)
  • Bus pins short-circuit proof to battery voltage (14 V, 24 V and 48 V) and ground
  • Fail-silent behavior in the event of an undervoltage on pins VBAT, VCC or VIO
  • Passive behavior of bus lines while the transceiver is not powered
  • No reverse currents from the digital input pins to VIO or VCC when the transceiver is not powered

Functional Classes According to FlexRay Electrical Physical Layer Specification

  • Bus driver voltage regulator control
  • Bus driver - bus guardian interface
  • Bus driver logic level adaptation
  • Bus driver remote wake-up
  • Bus driver increased voltage amplitude transmitter (JASPAR)

Buy/Parametrics










































































































Documentation

Quick reference to our documentation types

7 documents

Compact List

Data Sheet (1)
Package Information (1)
Packing Information (2)
Supporting Information (1)
Training Presentation (1)
White Paper (1)

Design Files

Hardware

Quick reference to our board types.

1-5 of 6 hardware offerings

Show All

Support

What do you need help with?