Application Note (1)
- 
                           
AN10798[AN10798]
 
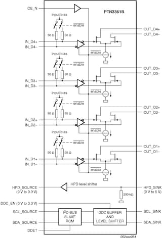
The PTN3361B is a high-speed level shifter device which converts four lanes of low-swing AC-coupled differential input signals to DVI v1.0 and HDMI v1.3a compliant open-drain current-steering differential output signals, up to 1.65 Gbit/s per lane. Each of these lanes provides a level-shifting differential buffer to translate from low-swing AC-coupled differential signaling on the source side, to TMDS-type DC-coupled differential current-mode signaling terminated into 50 Ω to 3.3 V on the sink side. Additionally, the PTN3361B provides a single-ended active buffer for voltage translation of the HPD signal from 5 V on the sink side to 3.3 V on the source side and provides a channel with active buffering and level shifting of the DDC channel (consisting of a clock and a data line) between 3.3 V source-side and 5 V sink-side. The DDC channel is implemented using active I²C-bus buffer technology providing capacitive isolation, redriving and level shifting as well as disablement (isolation between source and sink) of the clock and data lines.
The low-swing AC-coupled differential input signals to the PTN3361B typically come from a display source with multi-mode I/O, which supports multiple display standards, e.g., DisplayPort, HDMI and DVI. While the input differential signals are configured to carry DVI or HDMI coded data, they do not comply with the electrical requirements of the DVI v1.0 or HDMI v1.3a specification. By using PTN3361B, chip set vendors are able to implement such reconfigurable I/Os on multi-mode display source devices, allowing the support of multiple display standards while keeping the number of chip set I/O pins low. See Figure 1.
The PTN3361B main high-speed differential lanes feature low-swing self-biasing differential inputs which are compliant to the electrical specifications of DisplayPort Standard v1.1and/or PCI Express Standard v1.1, and open-drain current-steering differential outputs compliant to DVI v1.0 and HDMI v1.3a electrical specifications. The I²C-bus channel actively buffers as well as level-translates the DDC signals for optimal capacitive isolation. Its I²C-bus control block also provides for optional software HDMI dongle detect by issuing a predetermined code sequence upon a read command to an I²C-bus specified address. The PTN3361B also supports power-saving modes in order to minimize current consumption when no display is active or connected.
The PTN3361B is a fully featured HDMI as well as DVI level shifter. It is functionally comparable to PTN3360B but provides additional features supporting HDMI dongle detection and active DDC buffering. For HDMI dongles, support of HDMI dongle detection via the DDC channel is mandatory, hence HDMI dongle applications should enable this feature for correct operation in accordance with DisplayPort interoperability guidelines.
PTN3361B is powered from a single 3.3 V power supply consuming a small amount of power (90 mW typ.) and is offered in a 48-terminal HVQFN48 package.
| 
                                               
                                                    
                                                 
                                              | 
                                          
                                               
                                                 
                                              | 
                                          
                                               
                                                 
                                              | 
                                          
                                               
                                                 
                                              | 
                                          
                                               
                                                 
                                              | 
                                          
                                               
                                                 
                                              | 
                                       
|---|---|---|---|---|---|
| 
                                               
                                                  
                                                 | 
                                          
                                               
                                           | 
                                          
                                               
                                           | 
                                          
                                               
                                           | 
                                          
                                               
                                           | 
                                          
                                               
                                           | 
                                       
| 
                                               
                                                  
                                                 | 
                                          
                                               
                                           | 
                                          
                                               
                                           | 
                                          
                                               
                                           | 
                                          
                                               
                                           | 
                                          
                                               
                                           | 
                                       
| 
                                               
                                                  
                                                 | 
                                          
                                               
                                           | 
                                          
                                               
                                           | 
                                          
                                               
                                           | 
                                          
                                               
                                           | 
                                          
                                               
                                           | 
                                       
| 
                                               
                                                  
                                                 | 
                                          
                                               
                                           | 
                                          
                                               
                                           | 
                                          
                                               
                                           | 
                                          
                                               
                                           | 
                                          
                                               
                                           | 
                                       
| 
                                               
                                                  
                                                 | 
                                          
                                               
                                           | 
                                          
                                               
                                           | 
                                          
                                               
                                           | 
                                          
                                               
                                           | 
                                          
                                               
                                           | 
                                       
| 
                                               
                                                  
                                                 | 
                                          
                                               
                                           | 
                                          
                                               
                                           | 
                                          
                                               
                                           | 
                                          
                                               
                                           | 
                                          
                                               
                                           | 
                                       
| 
                                               
                                                  
                                                 | 
                                          
                                               
                                           | 
                                          
                                               
                                           | 
                                          
                                               
                                           | 
                                          
                                               
                                           | 
                                          
                                               
                                           | 
                                       
| 
                                               
                                                  
                                                 | 
                                          
                                               
                                           | 
                                          
                                               
                                           | 
                                          
                                               
                                           | 
                                          
                                               
                                           | 
                                          
                                               
                                           | 
                                       
| 
                                               
                                                  
                                                 | 
                                          
                                               
                                           | 
                                          
                                               
                                           | 
                                          
                                               
                                           | 
                                          
                                               
                                           | 
                                          
                                               
                                           | 
                                       
| 
                                               
                                                  
                                                 | 
                                          
                                               
                                           | 
                                          
                                               
                                           | 
                                          
                                               
                                           | 
                                          
                                               
                                           | 
                                          
                                               
                                           | 
                                       
Quick reference to our documentation types
4 documents
Compact List
Please wait while your secure files are loading.
Receive the full breakdown. See the product footprint and more in the eCad file.
Receive the full breakdown. See the product footprint and more in the eCad file.
3 engineering services
There are no results for this selection.
To find additional partner offerings that support this product, visit our Partner Marketplace.