Product Longevity
Participating products are available for a minimum of 10 years. Designated participating products developed for the automotive, telecom and medical segments are available for a minimum of 15 years.
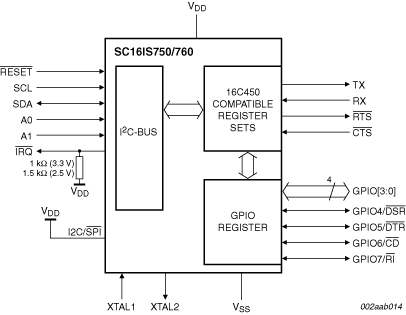
The SC16IS740/750/760 is a I²C-bus/SPI interface to a single-channel high performance UART. It offers data rates up to 5 Mbit/s and guarantees low operating and sleeping current. The SC16IS750 and SC16IS760 also provide the application with 8 additional programmable I/O pins. The device comes in very small HVQFN24, TSSOP24 (SC16IS750/760) and TSSOP16 (SC16IS740) packages, which makes it ideally suitable for handheld, battery operated applications. This family of products enables seamless protocol conversion from I²C-bus or SPI to and RS-232/RS-485 and are fully bidirectional.
The SC16IS760 differs from the SC16IS750 in that it supports SPI clock speeds up to 15 Mbit/s instead of the 4 Mbit/s supported by the SC16IS750, and in that it supports IrDA SIR up to 1.152 Mbit/s. In all other aspects, the SC16IS760 is functionally and electrically the same as the SC16IS750. The SC16IS740 is functionally and electrically identical to the SC16IS750, with the exception of the programmable I/O pins which are only present on the SC16IS750.
The SC16IS740/750/760’s internal register set is backward-compatible with the widely used and widely popular 16C450. This allows the software to be easily written or ported from another platform.
The SC16IS740/750/760 also provides additional advanced features such as auto hardware and software flow control, automatic RS-485 support, and software reset. This allows the software to reset the UART at any moment, independent of the hardware reset signal.
Choose a diagram:

Note: To see the product features close this window.
Participating products are available for a minimum of 10 years. Designated participating products developed for the automotive, telecom and medical segments are available for a minimum of 15 years.
|
|
|
|
|
|
|
|---|---|---|---|---|---|
|
|
|
|
|
|
|
|
|
|
|
|
|
|
|
|
|
|
|
|
|
|
|
|
|
|
|
|
|
|
|
|
|
|
|
|
|
|
|
|
|
|
|
|
|
|
|
|
|
|
|
|
|
|
|
|
|
|
|
|
|
|
|
|
|
|
|
|
|
|
Quick reference to our documentation types
1-10 of 19 documents
Compact List
Please wait while your secure files are loading.
2 design files
Receive the full breakdown. See the product footprint and more in the eCad file.
Please wait while your secure files are loading.
2 hardware offerings


To find additional partner offerings that support this product, visit our Partner Marketplace.
2 engineering services
There are no results for this selection.
To find additional partner offerings that support this product, visit our Partner Marketplace.