8-bit General Purpose MP MCUs
Design Files
Receive the full breakdown. See the product footprint and more in the eCad file.
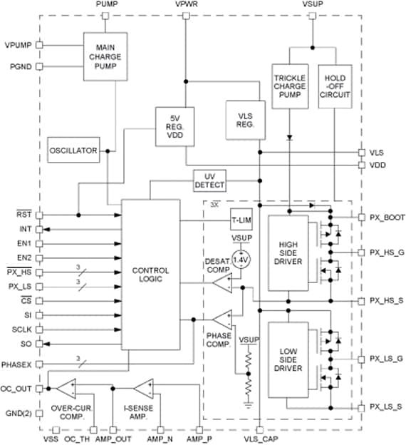
The NXP® MC33937A is a Field Effect Transistor (FET) pre-driver designed for three phase motor control and similar applications.

Note: To see the product features close this window.
|
|
|
|
|
|
|
|---|---|---|---|---|---|
|
|
|
|
|
|
|
|
|
|
|
|
|
|
|
|
|
|
|
|
|
|
|
|
|
|
|
|
|
|
|
|
|
|
|
|
|
|
|
|
|
|
|
|
|
|
|
|
|
|
|
|
|
|
|
|
|
|
|
|
|
|
|
|
|
|
|
|
|
|
Quick reference to our documentation types
10 documents
Compact List
Please wait while your secure files are loading.
Receive the full breakdown. See the product footprint and more in the eCad file.
Receive the full breakdown. See the product footprint and more in the eCad file.
1-5 of 17 hardware offerings















Quick reference to our software types.
3 software files
Note: For better experience, software downloads are recommended on desktop.
Please wait while your secure files are loading.
2 engineering services
There are no results for this selection.
To find additional partner offerings that support this product, visit our Partner Marketplace.