Hot Swappable I²C-Bus and SMBus Bus Buffer

Product Details

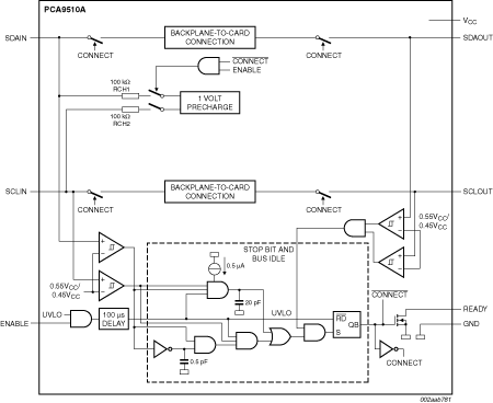
Block Diagram

Choose a diagram:

PCA9510A Block Diagram

PCA9510A Block Diagram

Block diagram: PCA9510AD, PCA9510ADP

Block diagram: PCA9510AD, PCA9510ADP

Features

System Features

  • Bidirectional buffer for SDA and SCL lines increases fan-out and prevents SDA and SCL corruption during live board insertion and removal from multipoint backplane systems
  • Compatible with Standard-mode I²C-bus, Fast-mode I²C-bus, and SMBus standards
  • Active HIGH ENABLE input
  • Active HIGH READY open-drain output
  • High-impedance SDAn and SCLn pins for VCC = 0 V
  • 1 V precharge on SDAIN and SCLIN inputs
  • Supports clock stretching and multiple controller arbitration and synchronization
  • Operating power supply voltage range: 2.7 V to 5.5 V
  • 5 V tolerant I/Os
  • 0 Hz to 400 kHz clock frequency
  • ESD protection exceeds 2000 V HBM per JESD22-A114, 200 V MM per JESD22-A115, and 1000 V CDM per JESD22-C101
  • Latch-up testing is done to JEDEC Standard JESD78 which exceeds 100 mA
  • Packages offered: SO8, TSSOP8 (MSOP8)

Buy/Parametrics










































































































Documentation

Quick reference to our documentation types

1-10 of 14 documents

Compact List

Application Note (2)
Brochure (2)
Data Sheet (1)
Package Information (1)
Packing Information (2)
Supporting Information (2)
User Guide (4)

Design Files

Quick reference to our design files types.

1 design file

Engineering Services

2 engineering services

To find additional partner offerings that support this product, visit our Partner Marketplace.

Support

What do you need help with?