Important: This page contains secure information about our products. Sign in to access authorized resources.
Important: This page contains secure information about our products.
View Secure InformationImportant: Authentication is required to view secure content.
reenter your passwordThe USB 2.0 Full-Speed Device Controller is a highly configurable, synthesizable USB core built from silicon-proven technology from NXP Semiconductors.
The core is an low gate count design that provides an efficient USB implementation in cost-sensitive applications.
It integrates with standard USB transceivers on USB side and AMBA® AHB interfaces on the system side, supporting all major embedded microprocessor cores.

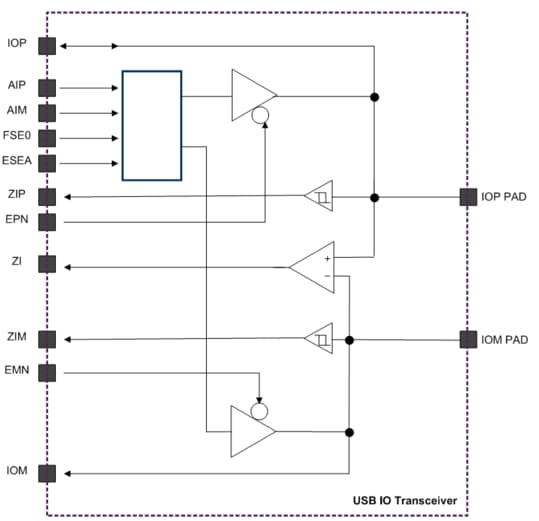
The USB IO transceiver is a CMOS IO cell available in TSMC 90LP and 65LP processes. It is compliant with the USB specification, Revision 2.0 (Full-Speed and Low-Speed, April 27, 2000).
The cell transceiver converts logic CMOS signals to USB compatible output signals and vice-versa. The transceiver supports two modes of data transfer rate; Low-Speed mode (1.5 Mbps) and Full-Speed mode (12 Mbps). In both the modes, the amplitude of output signal level is equal to the external supply voltage.
The receiver can detect differential signals as small as 0.2V (0.8V < CMR < 2.5V). This gives good noise margin that helps in building a robust communication system. Apart from the differential receiver, the cell also contains two single-ended receivers, one for each of the two data lines

The USB 2.0 High-Speed Device Controller is a highly configurable, synthesizable USB core built from silicon-proven technology from NXP Semiconductors.
The core is an extremely low gate count design that provides an efficient USB implementation in cost-sensitive applications.
It integrates with standard UTMI-compliant PHYs or USB ULPI transceivers on USB side and AMBA® AHB interfaces on the system side, supporting all major embedded microprocessor cores.

The USB 2.0 High-Speed Host and Device Controller is a highly configurable, synthesizable USB core built from silicon-proven technology from NXP Semiconductors.
The core is an extremely low gate count design that provides an efficient USB implementation in cost-sensitive applications.
It integrates with standard UTMI-compliant PHYs or USB ULPI transceivers on USB side and AMBA® AHB interfaces on the system side, supporting all major embedded microprocessor cores.



Partner Silvaco takes care of the distribution of USB IP. Silvaco is a leading EDA provider of Software tools, used in analog/mixed-signal, power IC and memory design.
Headquartered in Santa Clara, California, Silvaco has a global presence with offices located in North America, Europe, Japan and Asia for over 30 years and is offering fast-turnaround and affordable services for TCAD, SPICE Modeling, and PDK development. In June 2016 Silvaco acquired Semiconductor IP blocks vendor IPextreme, now the IP department of Silvaco (under IPextreme brand)
The USB IP is owned by NXP, but packaged, sold, and supported through Silvaco
| Deliverables |
| VHDL RTL source code (Verilog on request) |
| Test bench with test suites |
| Documentation including User’s Guide and Integration guide |
| Technology independent synthesis constraints |
| Where applicable |
| Behavioural models |
| Front-end and back-end views |