The TEA18361 is a controller IC for low-cost Switched Mode Power Supplies (SMPS). It
is intended for flyback topologies. The built-in green functions provide high efficiency at all
power levels.
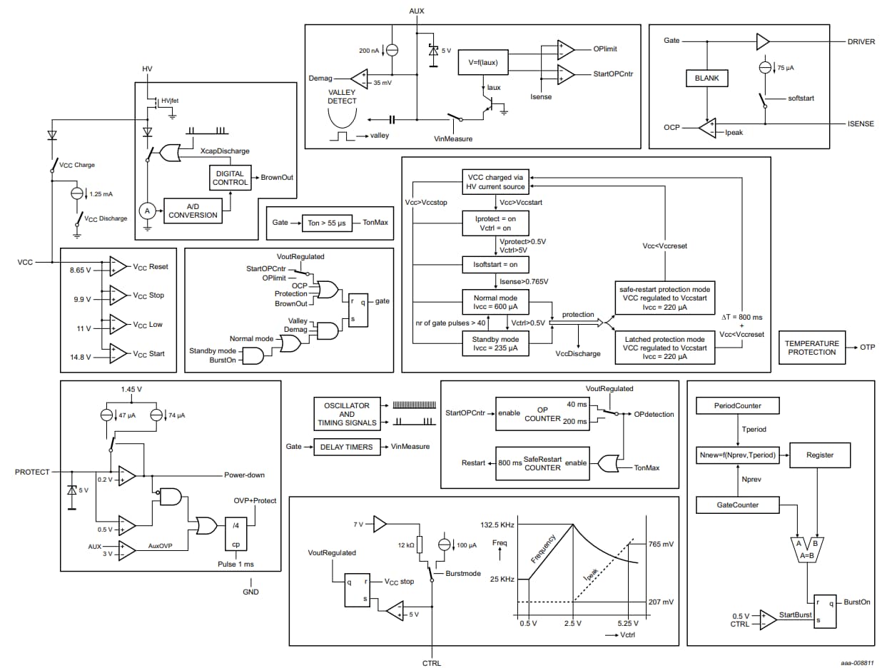
At high power levels, the flyback operates in Quasi-Resonant (QR) mode. At lower power
levels, the controller switches to Frequency Reduction (FR) or Discontinuous Conduction
Mode (DCM) and limits the peak current to approximately 25 % of the maximum peak
current. Valley switching is used in all operating modes.
At low power levels, when the flyback switching frequency drops below 25 kHz, the
flyback converter switches to burst mode. A special burst mode has been integrated
which reduces the opto current to a minimum level, ensuring high efficiency at low power
and excellent no-load power performance. As the switching frequency in this mode has a
minimum value of 25 kHz while the burst frequency is below 800 Hz, the frequencies are
outside the audible range. During the non-switching phase of the burst mode, the internal
IC supply current is minimized for further efficiency optimization.
The TEA18361 includes an accurate OverPower Protection (OPP). The OPP enables
the controller to operate in overpower situations for a limited amount of time. If the output
is shorted, the system switches to the low-power mode where the output power is limited to a
lower level.
The TEA18361 is manufactured in a high-voltage Silicon-On-Insulator (SOI) process.
The SOI process combines the advantages of a low-voltage process (accuracy,
high-speed protection, functions, and control) while maintaining the high-voltage
capabilities (high-voltage start-up, low standby power, and an integrated X-capacitor
discharge function).
The TEA18361 enables low-cost, highly efficient and reliable supplies for power
requirements up to 75 W to be designed with a minimum number of external components.