High-Speed CAN Transceiver with Standby and Sleep Mode

See product image

Product Details

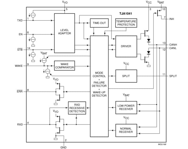
Block Diagram

TJA1041T

Features

General Features

  • Optimized for in-vehicle high-speed communication
  • Fully compatible with the ISO 11898 standard
  • Communication speed up to 1 Mbit/s
  • Very low ElectroMagnetic Emission (EME)
  • Differential receiver with wide common-mode range, offering high ElectroMagnetic Immunity (EMI)
  • Passive behavior when supply voltage is off
  • Automatic I/O-level adaptation to the host controller supply voltage
  • Recessive bus DC voltage stabilization for further improvement of EME behavior
  • Listen-only mode for node diagnosis and failure containment
  • Allows implementation of large networks (more than 110 nodes)

Low-Power Management

  • Very low-current in Standby and Sleep mode, with local and remote wake-up
  • Capability to power-down the entire node, still allowing local and remote wake-up
  • Wake-up source recognition

Protection and Diagnosis (Detection and Signaling)

  • TXD dominant clamping handler with diagnosis
  • RXD recessive clamping handler with diagnosis
  • TXD-to-RXD short-circuit handler with diagnosis
  • Over-temperature protection with diagnosis
  • Under-voltage detection on pins VCC, VI/O and VBAT
  • Automotive environment transient protected bus pins and pin VBAT
  • Short-circuit proof bus pins and pin SPLIT (to battery and to ground)
  • Bus line short-circuit diagnosis
  • Bus dominant clamping diagnosis
  • Cold start diagnosis (first battery connection)

Buy/Parametrics










































































































Documentation

Quick reference to our documentation types

6 documents

Compact List

Application Note (3)
Data Sheet (1)
Package Information (1)
Supporting Information (1)

Design Files

Software

Quick reference to our software types.

1 software offerings

Engineering Services

1-5 of 6 engineering services

Show All

To find additional partner offerings that support this product, visit our Partner Marketplace.

Support

What do you need help with?