Design Files
Receive the full breakdown. See the product footprint and more in the eCad file.
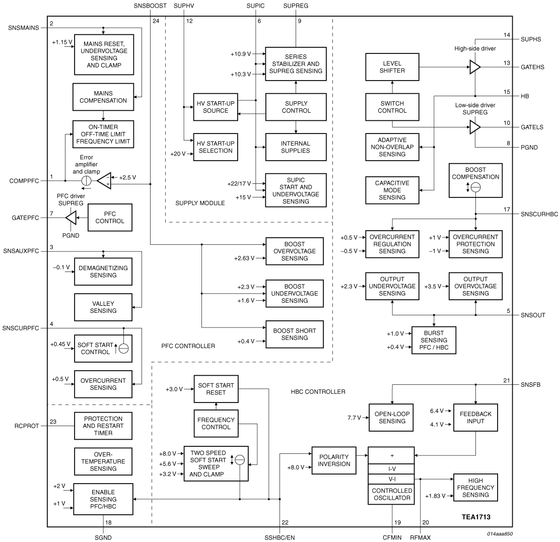
The TEA1713 integrates a power factor corrector (PFC) controller and a controller for a half-bridge resonant converter (HBC) in a multi-chip IC. It provides the drive function for the discrete MOSFET in an up-converter and for the two discrete power MOSFETs in a resonant half-bridge configuration. Highly efficient and reliable power supplies providing over 100 W can be designed easily using the TEA1713, with a minimum of external components.

Choose a diagram:
Note: To see the product features close this window.
|
|
|
|
|
|
|
|---|---|---|---|---|---|
|
|
|
|
|
|
|
|
|
|
|
|
|
|
|
|
|
|
|
|
|
|
|
|
|
|
|
|
|
|
|
|
|
|
|
|
|
|
|
|
|
|
|
|
|
|
|
|
|
|
|
|
|
|
|
|
|
|
|
|
|
|
|
|
|
|
|
|
|
|
Quick reference to our documentation types
5 documents
Compact List
Please wait while your secure files are loading.
Receive the full breakdown. See the product footprint and more in the eCad file.
Receive the full breakdown. See the product footprint and more in the eCad file.
1 hardware offering

1 hardware offering

To find additional partner offerings that support this product, visit our Partner Marketplace.