PFC Controller

Click over video to play

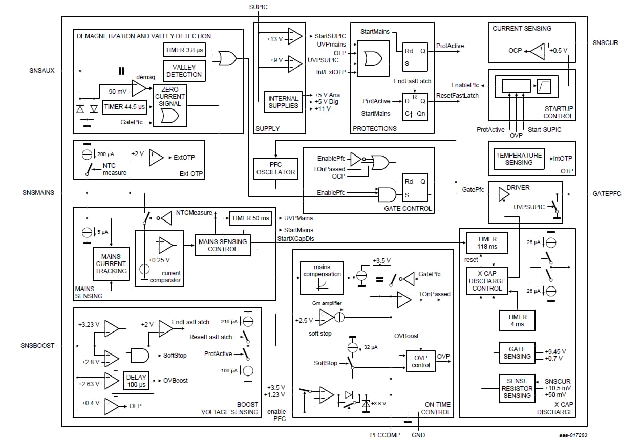
Block Diagram

TEA19162 Block diagram

TEA19162 Block diagram

Features

Distinctive Features

  • Complete functionality as TEA19161T/TEA19162T combo
  • Integrated X-capacitor discharge without additional external components
  • Universal mains supply operation (70 V (AC) to 276 V (AC))
  • Integrated soft start and soft stop
  • Accurate boost voltage regulation

Green Features

  • Valley/zero voltage switching for minimum switching losses
  • Frequency limitation to reduce switching losses
  • Reduced supply current (200 μA) when in burst mode

Protection Features

  • Safe restart mode for system fault conditions
  • Continuous mode protection with demagnetization detection
  • Accurate OverVoltage Protection (OVP)
  • Open-Loop Protection (OLP)
  • Short-Circuit Protection (SCP)
  • Internal and external IC OverTemperature Protection (OTP)
  • Low and adjustable OverCurrent Protection (OCP) trip level
  • Adjustable brownin/brownout protection
  • Supply Undervoltage Protection (UVP)

NXP GreenChip

  • This product is part of the NXP GreenChip portfolio, this program optimizes for energy efficiency in mobile and computing applications, specializing in high-power density, safety and reliability.

Buy/Parametrics










































































































Documentation

Quick reference to our documentation types

9 documents

Compact List

Application Note (1)
Brochure (1)
Data Sheet (1)
Fact Sheet (1)
Package Information (1)
Packing Information (1)
Supporting Information (2)
User Guide (1)

Design Files

Hardware

Quick reference to our board types.

1 hardware offering

Software

Quick reference to our software types.

1 software file

Note: For better experience, software downloads are recommended on desktop.