NXP GreenChip
This product is part of the NXP GreenChip portfolio, this program optimizes for energy efficiency in mobile and computing applications, specializing in high-power density, safety and reliability.
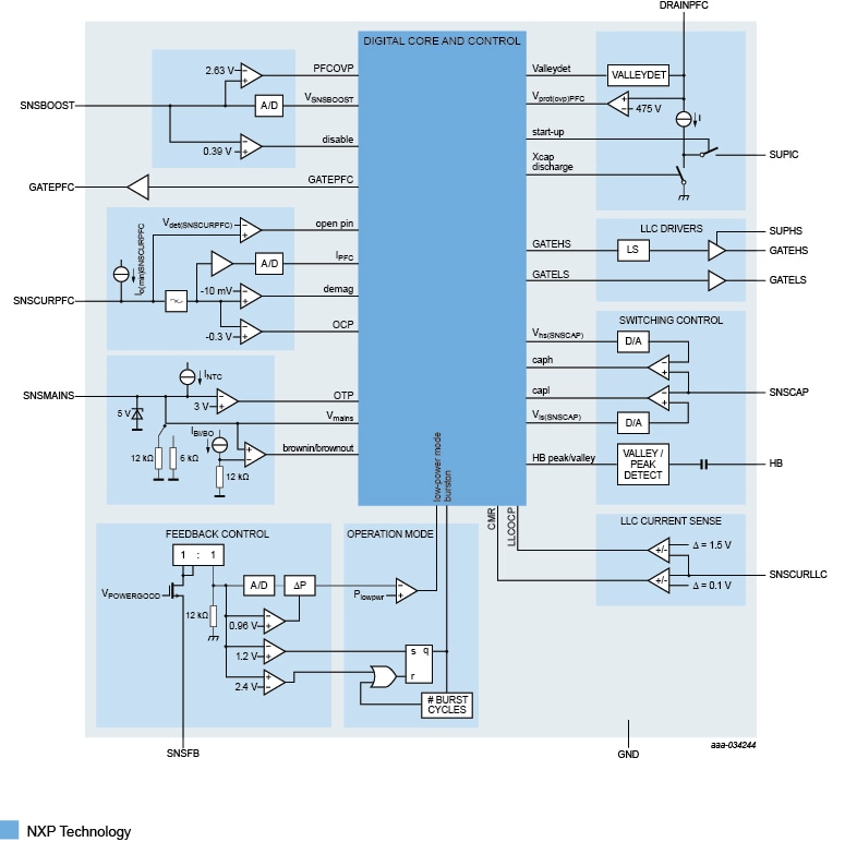
The TEA6017AT is a digital configurable LLC and PFC combo controller for high-efficiency resonant power supplies. It includes both the LLC controller and PFC controller functionality. The PFC can be configured to operate in DCM/QR, CCM fixed frequency, or multimode which supports all operation modes to optimize the PFC efficiency. The TEA6017AT enables building a complete resonant power supply which is easy to design and has a very low component count. The TEA6017AT comes in a low profile and narrow body-width SO16 package.
The TEA6017AT digital architecture is based on a high-speed configurable hardware state machine ensuring very reliable real-time performance. During the power supply development, many operation and protection settings of the LLC and PFC controller can be adjusted by loading new settings into the device to meet specific application requirements. The configurations can be fully secured to prevent unauthorized copying of the proprietary TEA6017AT configuration content.
In contrast to traditional resonant topologies, the TEA6017AT shows a very high efficiency at low loads due to the LLC low-power mode. This mode operates in the power region between continuous switching (also called high-power mode) and burst mode.
The TEA6017AT complies fully to NXP’s profile for industrial applications.
This product is part of the NXP GreenChip portfolio, this program optimizes for energy efficiency in mobile and computing applications, specializing in high-power density, safety and reliability.
Participating products are available for a minimum of 10 years. Designated participating products developed for the automotive, telecom and medical segments are available for a minimum of 15 years.

GreenChip Dual Synchronous Rectifier (SR) Controller
PFC Controller
|
|
|
|
|
|
|
|---|---|---|---|---|---|
|
|
|
|
|
|
|
|
|
|
|
|
|
|
|
|
|
|
|
|
|
|
|
|
|
|
|
|
|
|
|
|
|
|
|
|
|
|
|
|
|
|
|
|
|
|
|
|
|
|
|
|
|
|
|
|
|
|
|
|
|
|
|
|
|
|
|
|
|
|
Quick reference to our documentation types
7 documents
Compact List
Please wait while your secure files are loading.
Receive the full breakdown. See the product footprint and more in the eCad file.
Receive the full breakdown. See the product footprint and more in the eCad file.
4 hardware offerings




Quick reference to our software types.
3 software files
Note: For better experience, software downloads are recommended on desktop.
Please wait while your secure files are loading.
2 trainings