
Resonant Power Supply Control IC
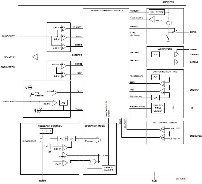
The TEA2016AAT is a digital, configurable LLC and PFC combo controller for high-efficiency resonant power supplies. Our product includes both the LLC controller functionality and PFC controller, which operates in DCM and QR mode.
The TEA2016AAT comes in a low profile and narrow body-width SO16 package. Our sleek design enables consumers to build a complete resonant power supply with few components, simplifying the design process.
Combining the TEA2016AAT with our TEA1995T gives consumers an easy-to-design, highly efficient, and reliable power supply that provides 90 W to 500 W with minimal external components. The system provides low, no-load input power (< 75 mW; total system including the TEA2016AAT/TEA1995T combination) and high efficiency from minimum to maximum load.
This power supply meets the efficiency regulations of Energy Star, the Department of Energy, the Eco-design directive of the European Union, the European Code of Conduct, and other energy regulations. Because the TEA2016AAT is so efficient, there is no need for any auxiliary low-power supply.
| Product | Process Used for the High Voltage Die | Features | Supporting Information |
|---|---|---|---|
| TEA2016AAT/1 | EZHV (Silicon On Insulator) | Reference Behavior | Comparison |
| TEA2016AAT/2 | ABCD3HV+ (Silicon On Insulator) |
|
|
|
|
|
|
|
|
|---|---|---|---|---|---|
|
|
|
|
|
|
|
|
|
|
|
|
|
|
|
|
|
|
|
|
|
|
|
|
|
|
|
|
|
|
|
|
|
|
|
|
|
|
|
|
|
|
|
|
|
|
|
|
|
|
|
|
|
|
|
|
|
|
|
|
|
|
|
|
|
|
|
|
|
|
Quick reference to our documentation types
10 documents
Compact List
Please wait while your secure files are loading.
Receive the full breakdown. See the product footprint and more in the eCad file.
Receive the full breakdown. See the product footprint and more in the eCad file.
1-5 of 9 hardware offerings









Quick reference to our software types.
5 software files
Note: For better experience, software downloads are recommended on desktop.
Please wait while your secure files are loading.
2 trainings