Application Note (2)
Data Sheet (1)
-
MC33999, 16-Output Switch with SPI and PWM Control - Data Sheet[MC33999]Featured
Selector Guide (1)
-
Motor Driver – Selector Guide[MOTORDRIVERFLYR]
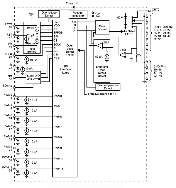
The NXP® MC33999 is a 16-output low-side switch with a 24-bit serial input control, designed for a variety of applications including inductive, incandescent, and LED loads.

Note: To see the product features close this window.
|
|
|
|
|
|
|
|---|---|---|---|---|---|
|
|
|
|
|
|
|
|
|
|
|
|
|
|
|
|
|
|
|
|
|
|
|
|
|
|
|
|
|
|
|
|
|
|
|
|
|
|
|
|
|
|
|
|
|
|
|
|
|
|
|
|
|
|
|
|
|
|
|
|
|
|
|
|
|
|
|
|
|
|
Quick reference to our documentation types
4 documents
Compact List
Please wait while your secure files are loading.
Receive the full breakdown. See the product footprint and more in the eCad file.
Receive the full breakdown. See the product footprint and more in the eCad file.
4 engineering services
There are no results for this selection.
To find additional partner offerings that support this product, visit our Partner Marketplace.