1
Plug It In2
Get Software3
Build, Run4
Modify a SDK ExampleSign in to save your progress. Don't have an account? Create one.

Let's take your LPCXpresso55S28 for a test drive You have the choice of watching the sequence in a short video or following the detailed actions listed below.
Something went wrong! Please try again.
There are four micro-USB connectors on the board. One each for Full and High Speed USB, one for supplying power only and one for debug. Plug the USB cable into the one labeled +5 V Power only as shown in the photo.
Figure 2. LPC55S28 front with USB.
Something went wrong! Please try again.
Your LPCXpresso55S28 board comes loaded with a simple switch led demo, explained below, and an audio demo describes in the next section.
The board is working if the green LED in the RGB-LED flashed with a 1 Hz rate. A Switch LED Demo:
Something went wrong! Please try again.
Something went wrong! Please try again.
The MCUXpresso Software Development Kit (SDK) is complimentary and includes full source code under a permissive open-source license for all hardware abstraction and peripheral driver software.
Click below to download a pre-configured Windows SDK release for the LPCXpresso55S28, which includes IDE support for MCUXpresso, Keil MDK, GCC ARM Embedded and IAR Embedded Workbench.
You can also use the online SDK Builder to create a custom SDK package for the LPCXpresso55S28.
Something went wrong! Please try again.
MCUXpresso IDE is development platform ecosystem from NXP. It provides an end-to-end solution enabling engineers to develop embedded applications from initial evaluation to final production.
No problem The MCUXpresso SDK includes support for other tools such as IAR , Keil and command-line GCC .
Something went wrong! Please try again.
The MCUXpresso Config Tool is an integrated suite of configuration tools that guides users in creating new MCUXpresso SDK projects, and also provides pin and clock tools to generate initialization C code for custom board support, It is fully integrated into MCUXpresso or you can download a seperate tool.
To learn more about the basic interactions between the tools while working with either an imported MCUXpresso SDK example project or creating a new project within the IDE, watch this three-part video series: Basic Application Development Using MCUXpresso IDE and MCUXpresso Config Tools .
Something went wrong! Please try again.
To set up your LPCXpresso55S28 for use with 3rd party tools, first install LPCScrypt in order to install the board's device drivers. The video below shows how to use LPCScrypt to program your board's debug probe using this utility.
Something went wrong! Please try again.
Many of the MCUXpresso SDK examples applications output data over the MCU UART. Make sure you install serial drivers with LPCScrypt from step 2.3.
Not sure how to use a terminal application? Try one of these tutorials: MCUXpresso Terminal, Tera Term Tutorial and PuTTY Tutorial.
Something went wrong! Please try again.
The MCUXpresso SDK comes with a long list of example applications code. To see what's available, browse to the SDK boards folder of your SDK installation and select LPCXpresso55S28 (<SDK_Install_Directory>/boards/lpcxpresso55s28).
To learn more about specific example code, open the readme.txt file in an example's directory.
Something went wrong! Please try again.
The following steps will guide you through opening the hello_world example.
The following steps will guide you through opening the hello_world application. These steps may change slightly for other example applications as some of these applications may have additional layers of folders in their path.
<install_dir>/boards/<sdk_board_name>/<example_type>/<application_name>/iar Using the hello_world demo as an example, the path is:
<tinstall_dir>/boards/LPCXpresso55S28/demo_apps/hello_world/iar
Note: In case of building errors, make sure that the correct Board is selected, right click in the project → Options → General Options → Target → Device, Select the LPC55S628, this board is supported in IAR Embedded Workbench for Arm version 8.40.1 or Higher.
The LPCXpresso55S28 board comes loaded with the CMSIS-DAP debug interface from the factory. If you've changed the debug LPC-LINK2 application on your board, visit step 2.3 LPCScrypt tutorial in this getting started.
J4) is removed when powering the board to boot the debug probe from internal flash
After the MDK tools are installed, Cortex® Microcontroller Software Interface Standard (CMSIS) device packs must be installed to fully support the device from a debug perspective. These packs include things such as memory map information, register definitions and flash programming algorithms. Follow these steps to install the appropriate CMSIS pack.
The following steps will guide you through opening the hello_world application. These steps may change slightly for other example applications as some of these applications may have additional layers of folders in their path.
<install_dir>/boards/<sdk_board_name>/<example_type>/<application_name>/mdk The workspace file is named <application_name>.uvmpw, so for this specific example, the actual path is:
<install_dir>/boards/LPCXpresso55S28/demo_apps/hello_world/mdk/hello_world.uvmpw
The LPCXpresso55S28 board comes loaded with the CMSIS-DAP debug interface from the factory. If you have changed the debug LPC-LINK2 application on your board, check the LPCScrypt tutorial described in the past section.
J4) is removed when powering the board to boot the debug probe from internal flash
Something went wrong! Please try again.
Option A: Use the MCUXpresso IDE to clone an example project.
The following steps will guide you through opening the sctimer pwm duty cycle change example. The example sets up a PWM signal and periodically updates the signals duty cycle.
Note: On the "Use Pin Tool" tutorial you will learn to change the SCTimer output pin to an RGB LED of the board and see the LED “breathing.
Option B: Use the MCUXpresso Config Tool to clone an existing MCUXpresso SDK example for use with third-party IDEs.
The following steps will guide you through opening the sctimer pwm duty cycle change example. The example sets up a PWM signal and periodically updates the signal duty cycle.
Note: On the "Use Pin Tool" tutorial you will learn to change the SCTimer output pin to an RGB LED of the board and see the LED “breathing.
Something went wrong! Please try again.
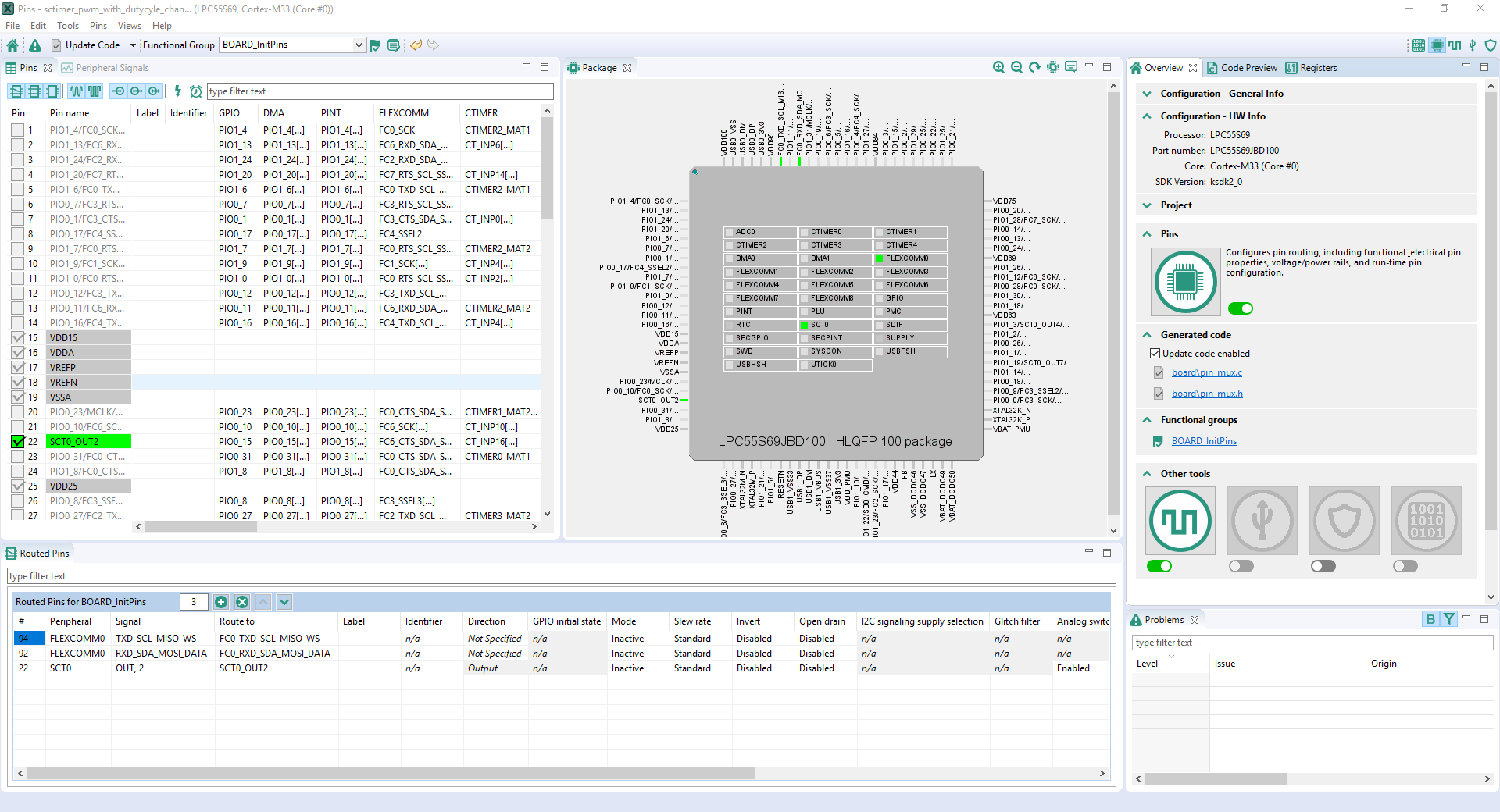
Now, let's use the Pins tool that is part of the MCUXpresso Config Tool to show how to add a new GPIO pin to your project to blink an LED.
Note: Previously, you had to clone an SDK project like in the previous step.
Note: The clocks files may also be tagged as being updated since the header has been changed.
sctimer_update_dutycycle.c file
Something went wrong! Please try again.
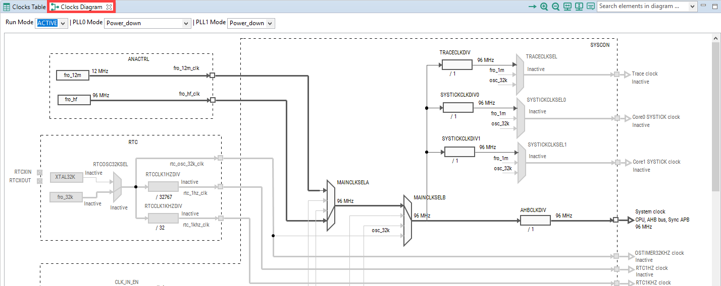
Next use the Clocks tool that is part of the MCUXpresso Config Tool to change the clock settings and change the rate that the LED blinks.
Note: Previously, you had to clone an SDK project like in the past step.
clock_mux.c and clock_mux.h files that are generated by the Pins tool. Click on Update Project in the menu bar
Note: The Pins files may also be tagged as being updated since the header has been changed.
Something went wrong! Please try again.
With the application modified, you will see the LPCXpresso55S28 RGB blue LED acts as "breathing" slowly.
Something went wrong! Please try again.
The most recent versions of MCUXpresso IDE count with a terminal emulation application. This tool can be used to display information sent from your NXP development platform's virtual serial port.
Tera Term is a very popular open source terminal emulation application. This program can be used to display information sent from your NXP development platform's virtual serial port.
PuTTY is a popular terminal emulation application. This program can be used to display information sent from your NXP development platform's virtual serial port.
*.exe file you downloaded or from the Start menu, depending on the type of download you selected
The LPC55S28 is secure-by-design and supported by secure software driving the secure System on a Chip (SoC).
| Documents and Videos | Description |
|---|---|
| AN12278 LPC55S00 Security Solutions for IoT | This document lays out the differences and advances in the security systems for each LPC55Sxx MCU. |
| AN12324 LPC55Sxx usage of the PUF and Hash Crypt to AES coding | How to securely generate, store and retrieve user keys using the root key. |
| AN12445 Asymmetric Cryptographic Accelerator CASPER | This document introduces the Cryptographic Accelerator and Signaling Processing Engine with RAM-Sharing (CASPER) on security devices of LPC55S2x series. The CASPER peripheral provides acceleration to asymmetric cryptographic algorithms as well as to certain signal processing algorithms. |
| AN12527 LPC55Sxx PRINCE Real-time Data Encryption | The PRINCE algorithm is used for real-time encrypt/decrypt operation on LPC55Sxx on-chip flash contents. This functionality is useful for asset protection, such as securing application code, securing data, and enabling secure flash update. |
Several examples, demos and drivers are available within the SDK to help you get started. Some common examples related to security are listed below.
A demonstration program that uses the KSDK software implement modular exponentiation algorithm using the CASPER software driver.
Path:
<SDK_PATH>/boards/lpcxpresso55s28/driver_examples/casperA demonstration program that uses the KSDK software to encrypt plain text and decrypt it back using AES and SHA algorithm.
Path:
<SDK_PATH>/boards/lpcxpresso55s28/driver_examples/hasycryptHow to setup PRINCE driver for the on-the-fly encryption/decryption of data stored in the internal flash memory.
Path:
<SDK_PATH>/boards/lpcxpresso55s28/driver_examples/princeA demonstration program that uses the KSDK software implement secure key storage using PUF software driver.
Path:
<SDK_PATH>/boards/lpcxpresso55s28/driver_examples/pufA demonstration program that uses the KSDK software to generate random numbers and prints them to the terminal.
Path:
<SDK_PATH>/boards/lpcxpresso55s28/driver_examples/rng> MCUXpresso Secure Provisioning Tool A GUI-based application provided to simple generation and provisioning of bootable executables on NXP MCU devices.
| Documents and Videos | Description |
|---|---|
| Using ConfigTool to Create USB Project From Start | Creating a USB project with MCUXpresso Config Tool and the LPCXpresso55S28-EVK. |
| TN00071 USB Detection with Full-Speed Hubs | On the LPC55xx devices, there is an errata when using USB High Speed Device controller with Full-Speed Hub. This technical note describes the software workaround and how to use the USB PHY Receiver Control (RX) register to ensure detection of the correct host speed during the USB connection stage. |
| TN00063 LPC5500 Crystal-less USB Solution | This technical note explains the steps required to modify the software to integrate a crystal-less USB device operation in full-speed mode in the LPC5500 application. |
Several examples, demos and drivers are available within the SDK to help you get started. Some common examples related to wired communications are listed below.
Demonstrates how to implement a command line shell application.
Path:
<SDK_PATH>/boards/lpcxpresso55s28/demo_apps/shell A number of driver examples exist within the SDK including GPIO, I²C, I²S, SPI and USART.
Path:
<SDK_PATH>/boards/lpcxpresso55s28/driver_examples Multiple examples that show how to use interrupt or polling-based transfer API in SDHC driver to access the SD card and using the SDCARD driver based FATFS disk in SDK software.
Path:
<SDK_PATH>/boards/lpcxpresso55s28/sdmmc_examples A number of USB examples for host and device operation exist within the SDK.
Path:
<SDK_PATH>/boards/lpcxpresso55s28/usb_examples | Documents and Videos | Description | Aplication Note Software |
|---|---|---|
| AN12805 Establish Secure Connection with Private Cloud | How to create a secure embedded software project with the LPCXpresso55S28 board. | Download |
| Connecting the LPC55S69 to Amazon Web Services | Demo focused on the WIFI enablement and cloud connectivity through AWS using MCUXpresso and an Amazon Alexa. | - |
| How to Add Peripherals to AWS IOT and Alexa Skills | Step-by-step approach to adding peripherals to your AWS IOT and Alexa Skills project. | - |
| Amazon FreeRTOS Documentation | FreeRTOS is a market-leading real-time operating system (RTOS) for microcontrollers and small microprocessors. Find resources here included users guide, API reference, porting guide and qualification guide. | - |
| AWS IoT Developer Guide | AWS IoT provides device software that can help you integrate your IoT devices into AWS IoT-based solutions. | - |
Several examples, demos and drivers are available within the SDK to help you get started. A common example related to wireless connectivity is listed below.
Shows use of NT3H2111_2211 NTAG I²C plus Connected NFC Tag with I²C Interface Chip and demonstrates basic communication with the device.
Path:
<SDK_PATH>/boards/lpcxpresso55s69/ntag_i2c_plus_examples/ntag_i2C_explorer_blink The serial demo shows usage of SerialMWM Wi-Fi module connected over UART interface. The iperf example provides basic commands to measure performance of network stack.
Path:
<SDK_PATH>/boards/lpcxpresso55s28/wifi_examples The simple lightbulb example illustrates how client application and things communicate with the Shadow service.
Path:
<SDK_PATH>/boards/lpcxpresso55s28/aws_examples/shadow_wifi_serial The LPC55S28 includes an Arm® Cortex® M-33 core running up to 150 MHz. In addition, it offers a crypto engine, which is the Cryptographic Accelerator and Signaling Processing Engine with RAM-Sharing (CASPER) peripheral providing acceleration to asymmetric cryptographic algorithms as well as to certain signal processing algorithms.
| Documents and Videos | Description |
|---|---|
| AN12445 Asymmetric Cryptographic Accelerator CASPER | This document introduces the Cryptographic Accelerator and Signaling Processing Engine with RAM-Sharing (CASPER) on security devices of LPC55S2x series. The CASPER peripheral provides acceleration to asymmetric cryptographic algorithms as well as to certain signal processing algorithms. |
Several examples, demos and drivers are available within the SDK to help you get started. A common example related to multicore and hardware acceleration is listed below.
A demonstration program that uses the KSDK software implement modular exponentiation algorithm using the CASPER software driver.
Path:
<SDK_PATH>/boards/lpcxpresso55s28/driver_examples/casper | Documents and Videos | Description |
|---|---|
| AN12939 Implementation of 5.1-channel Audio Solution on LPC55xx | The on-board DSP accelerator makes the LPC55S28 very suitable for USB audio applications. |
For this demonstration you will need:
Plug in an audio source from your phone or tabled headphones to the [Audio Line In] connector and connect headphones to the [Audio Line Out].
When audio is provided to the input you can listen to the audio on the headphones.
Several examples, demos and drivers are available within the SDK to help you get started. Some common examples related to audio are listed below.
USB Host: Audio Speaker
Path:
<SDK_PATH>/boards/lpcxpresso55s69/usb_examplesPath:
<SDK_PATH>/boards/lpcxpresso55s69/driver_examples/i2s | Documents and Videos | Description |
|---|---|
| Graphical User Interfaces for NXP Microcontrollers | Learn more about your GUI options for NXP Microcontrollers. |
| GitHub project using LPC55S69 with Adafruit Touch LCD | Project demonstrating how to add and use a capacitive touch screen with the LPC55S69-EVK. |
| Open Source LittlevGL GUI Library on Adafruit Touch LCDs with NXP LPC55S69-EVK | Driving Adafruit LDC Display with Capacitive Touch and MCULib. |
| LVGL Open-Source Graphics Library | LVGL is a free and open-source embedded graphic library with features that enable you to create embedded GUIs with intuitive graphical elements, beautiful visual effects and a low memory footprint. |
| GUI Guider | A user-friendly graphical user interface development tool from NXP that enables the rapid development of high quality displays with the open-source LVGL graphics library. |
| NXP emWin Libraries | NXP has partnered with SEGGER Microcontroller to offer the high performance emWin embedded graphics libraries in binary form for free commercial use with any Arm Cortex-M microcontrollers from NXP. |
| GUI Development With emWin and AppWizard | How to use the different features in AppWizard to create complete, ready-to-run projects based on emWin. |
| AN12732 HDMI-CEC Implementation on LPC5500 Series | How to implement High-Definition Multimedia Interface (HDMI)-Consumer Electronics Control (CEC) functions as a TV set or a projector that support the HDMI-CEC protocol based on LPC5500 series with GPIO and SCT used. |
Several examples, demos and drivers are available within the SDK to help you get started. Some common examples related to display and graphics are listed below.
A demo application to show littlevgl widgets.
Path:
<SDK_PATH>/boards/lpcxpresso55s28/littlevgl_examplesDemonstrates the graphical widgets of the emWin library.
Path:
<SDK_PATH>/boards/lpcxpresso55s28/emwin_gui_demo| Documents and Videos | Description | Application Note Software |
|---|---|---|
| AN12868 Camera Interface in LPC55(S)xx | Introduces the camera interface, features and API routines and demo. | Download |
Motor control is a complicated and advanced topic, with a wide range of intricacies and pitfalls that depend on motor type, number of motors and sensored or sensorless motor drivers.
NXP has a number of ready-to-use motor control algorithms [NOTE: middleware], and the best way to get started is with the FreeMaster examples included in the SDK. These examples utilize the FreeMASTER Run-Time Debugging Tool – user-friendly real-time debug monitor and data visualization tool that enables runtime configuration and tuning of embedded software applications.
| Documents and Videos | Description |
|---|---|
| FreeMASTER How To | A starting guide for engineers using FreeMASTER tool. |
| FreeMASTER 3.0 - Installation Guide | This article will walk you through the installation process of FreeMASTER 3.0. |
Several examples, demos and drivers are available within the SDK to help you get started. Some common examples related to Motor Control are listed below.
Watch variables and graphs over various interface options.
Path:
<SDK_PATH>/boards/lpcxpresso55s28/freemaster_examplesFreeMASTER Communication Driver User’s Guide - Describes the embedded-side software driver which implements a serial interface between the application and the host PC and covers the native Serial UART communication and CAN communication for the applicable devices.
Path:
<SDK_PATH>/middleware/freemaster/doc/user_guide| Documents and Videos | Description |
|---|---|
| Basic Application Development Using MCUXpresso IDE and MCUXpresso Config Tools | This three-part video series covers the basic interactions between the MCUXpresso IDE and Config Tools when working with either an imported SDK example project or creating a new one. |
| Hardware Design Guidelines for LPC55(S)xx Microcontrollers | This document guides the hardware engineers to design and test their LPC55(S)xx processor-based designs. The document provides information about board layout recommendations and design checklists to ensure first pass success and avoid board bring-up problems. |
| Flash Programming Tips for LPC5500 Series | Compared with legacy LPC parts, LPC4300, LPC54000, LPC1800, LPC800, the LPC5500 uses new flash IP and is enabled with ROM API driver. Lots of new features have been introduced into this new series. At the same time, it might be a little complicated for new users to operate LPC5500 series' flash. This document aims to remove those barriers and give some useful tips for users. |
| AWS Training | Training programs and offerings from the experts at AWS. |
| LPC55S28 Training | Full list of on-demand training, how-to videos and webinars from NXP about this product. |
Connect with other engineers and get expert advice on designing with the LPC55 family on one of our community sites.
Installing Software for LPCXpresso55S28
Jump Start Your Design with the MCUXpresso SDK
Install your Toolchain
MCUXpresso Config Tools
Debug Probe Firmware Update Using LPCScrypt
Serial Terminal