
LS1024A-RDB
No Longer Manufactured
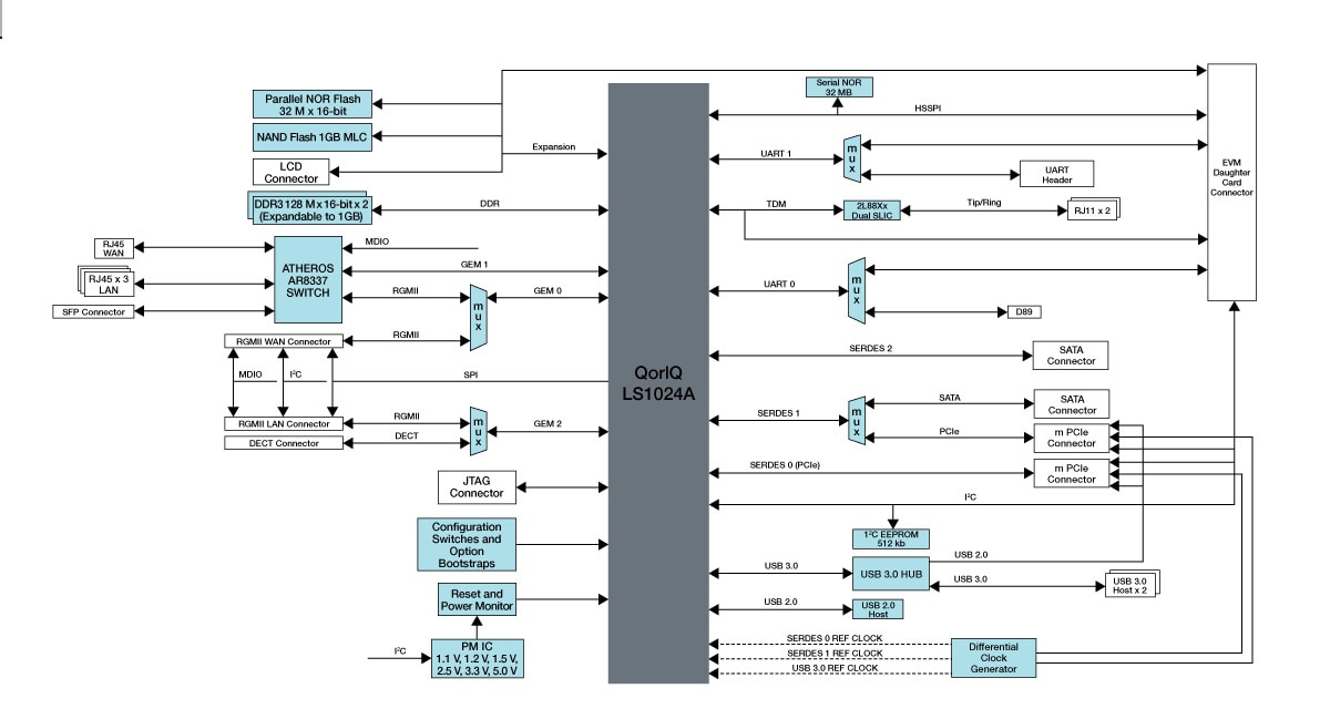
LS1024A-RDB.
The Layerscape LS1024A reference design board (LS1024ARDB) is a compact form-factor platform that enables evaluation and development for a wide variety of applications ranging from high-end VoIP and video-enabled home gateways, small-to-mid-sized business (SMB) and high-performance security appliances, and Ethernet powered 802.11n enterprise access points.
The LS1024ARDB also features an expansion connector suitable for adding additional components such as an LCD panel.

LS1024A-RDB.
| Distributor | Region | Inventory | Inventory Date | Order |
|---|
Upon selection of a preferred distributor, you will be directed to their web site to place and service your order. Please be aware that distributors are independent businesses and set their own prices, terms and conditions of sale. NXP makes no representations or warranties, express or implied, about distributors, or the prices, terms and conditions of sale agreed upon by you and any distributor.
Quick reference to our documentation types
2 documents
Compact List
Please wait while your secure files are loading.
Select a section:
2 hardware offerings


To find a complete list of our partners that support this product, please see our Partner Marketplace.
1 design file
Please wait while your secure files are loading.
Quick reference to our software types.
3 software files
Note: For better experience, software downloads are recommended on desktop.
Please wait while your secure files are loading.
5 software offerings
To find a complete list of our partners that support this product, please see our Partner Marketplace.