Fact Sheet (1)
-
RFMODULECRDFS, LTE-FDD/TDD and WCDMA (HSPA+) Capable RF Module - Fact Sheet[RFMODULECRDFS]Featured
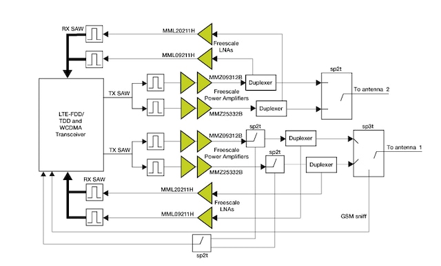
The RF module for BSC913X-based development platforms designed by Benetel can enable all major frequency bands worldwide, including LTE-FDD/TDD and WCDMA (HSPA+) air interfaces. The design uses a 3G/4G transceiver chip and is enhanced by NXP®'s low-noise and power amplifiers for maximum stability, accuracy and efficiency.
NXP’s linear GaAs HBT power amplifiers and GaAs E-pHEMT low noise amplifiers complete the Tx/Rx signal path. The MMZ09312B and MMZ25332B are two-stage high efficiency, class AB amplifiers suitable for all air interface standards.
Quick reference to our documentation types
1 documents
Compact List
Please wait while your secure files are loading.
Quick reference to our software types.
1 software offerings
Please wait while your secure files are loading.
1 software offerings
To find a complete list of our partners that support this product, please see our Partner Marketplace.