Kinetis® KL2x-72/96 MHz, USB Ultra-Low-Power Microcontrollers (MCUs) based on Arm® Cortex®-M0+ Core
Design Files
Receive the full breakdown. See the product footprint and more in the eCad file.
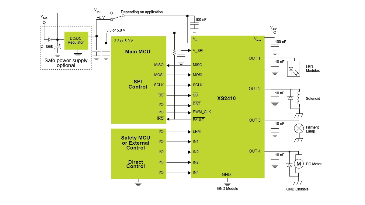
The MC33XS2410 is a four channel self-protected high-side switch. Featuring advanced digital monitoring and control function, the device is operational from 3.0 V to 60 V. As a result of high-level integration, the embedded 12-bit analog-to-digital converter enables a drastically simplified hardware design and MCU software control.
This product has been qualified to the appropriate automotive electronics council (AEC) standard Q100 and is suitable for use in automotive applications.
The device is controlled by SPI port for configuration, monitoring and diagnostics of the outputs. Whenever communication with the MCU is lost, the device enters a safe operation mode, but remains operational, controllable and protected.
Choose a diagram:

Note: To see the product features close this window.
|
|
|
|
|
|
|
|---|---|---|---|---|---|
|
|
|
|
|
|
|
|
|
|
|
|
|
|
|
|
|
|
|
|
|
|
|
|
|
|
|
|
|
|
|
|
|
|
|
|
|
|
|
|
|
|
|
|
|
|
|
|
|
|
|
|
|
|
|
|
|
|
|
|
|
|
|
|
|
|
|
|
|
|
Quick reference to our documentation types
2 documents
Compact List
Please wait while your secure files are loading.
Receive the full breakdown. See the product footprint and more in the eCad file.
Receive the full breakdown. See the product footprint and more in the eCad file.
4 hardware offerings




Quick reference to our software types.
1 software file
Note: For better experience, software downloads are recommended on desktop.
Please wait while your secure files are loading.