User Guide (8)
-
KITPF8200FRDMPGM Programming Board[UM11162]
-
FlexGUI for Q100 v1.0.0 - User Guide[UM11301]
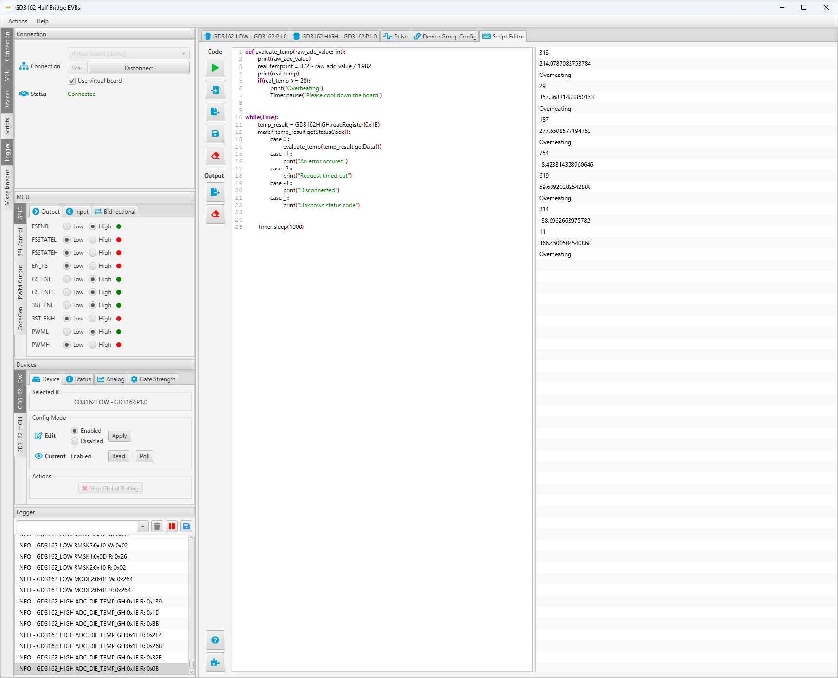
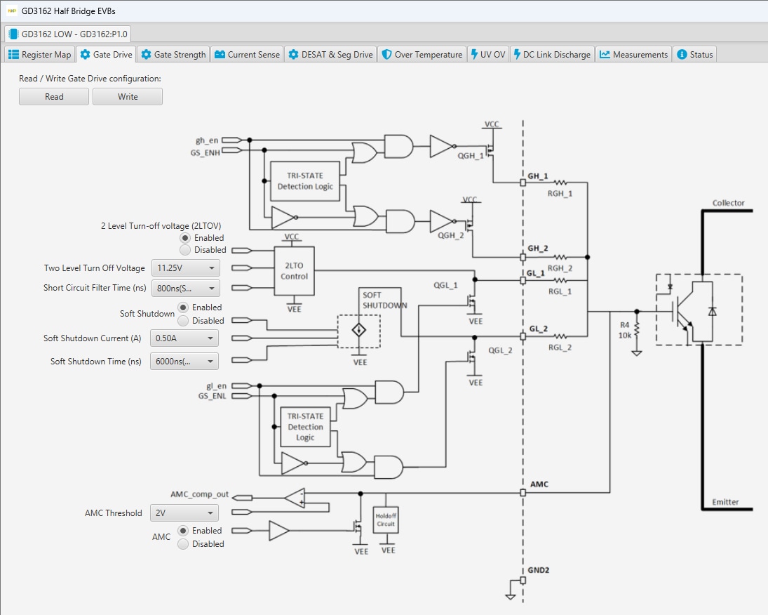
FlexGUI is a Graphical User Interface (GUI) software tool enabling easy and intuitive configuration and control of analog ICs on their evaluation boards (EVBs). It uses a USB port to interface with the evaluation boards. These boards include a small MCU to interface with the analog ICs via standard peripherals such as SPI, I²C, CAN, GPIO, ADC or timers.
FlexGUI based application supports several different ICs, which can be selected via the application launcher at startup. For each selected IC is available register map view for direct access, scripting environment and components for configuration and monitoring of functional blocks.
FlexGUI embedded Python 3 interpreter enables user to create custom scripts for specific use cases. Analog ICs and MCU are injected into the environment as singleton objects offering API for interaction with the HW. Additionally, user can leverage any Python language statements, built-in functions and types.
1-5 of 12 downloads
Note: For better experience, software downloads are recommended on desktop.
Please wait while your secure files are loading.
Quick reference to our documentation types
9 documents
Compact List
Please wait while your secure files are loading.
1-5 of 37 hardware offerings



































