Design Files
Receive the full breakdown. See the product footprint and more in the eCad file.
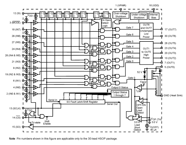
The NXP® MC33882 is a six-output, low side switch that controls system loads up to 1.0 A. The six outputs can be controlled via both serial peripheral interface (SPI) and parallel input control, ideal for fault tolerant system applications.

Note: To see the product features close this window.
|
|
|
|
|
|
|
|---|---|---|---|---|---|
|
|
|
|
|
|
|
|
|
|
|
|
|
|
|
|
|
|
|
|
|
|
|
|
|
|
|
|
|
|
|
|
|
|
|
|
|
|
|
|
|
|
|
|
|
|
|
|
|
|
|
|
|
|
|
|
|
|
|
|
|
|
|
|
|
|
|
|
|
|
Quick reference to our documentation types
4 documents
Compact List
Please wait while your secure files are loading.
Receive the full breakdown. See the product footprint and more in the eCad file.
Receive the full breakdown. See the product footprint and more in the eCad file.
1 hardware offering

4 engineering services
There are no results for this selection.
To find additional partner offerings that support this product, visit our Partner Marketplace.