
SuperSpeed USB 3.0 Redriver
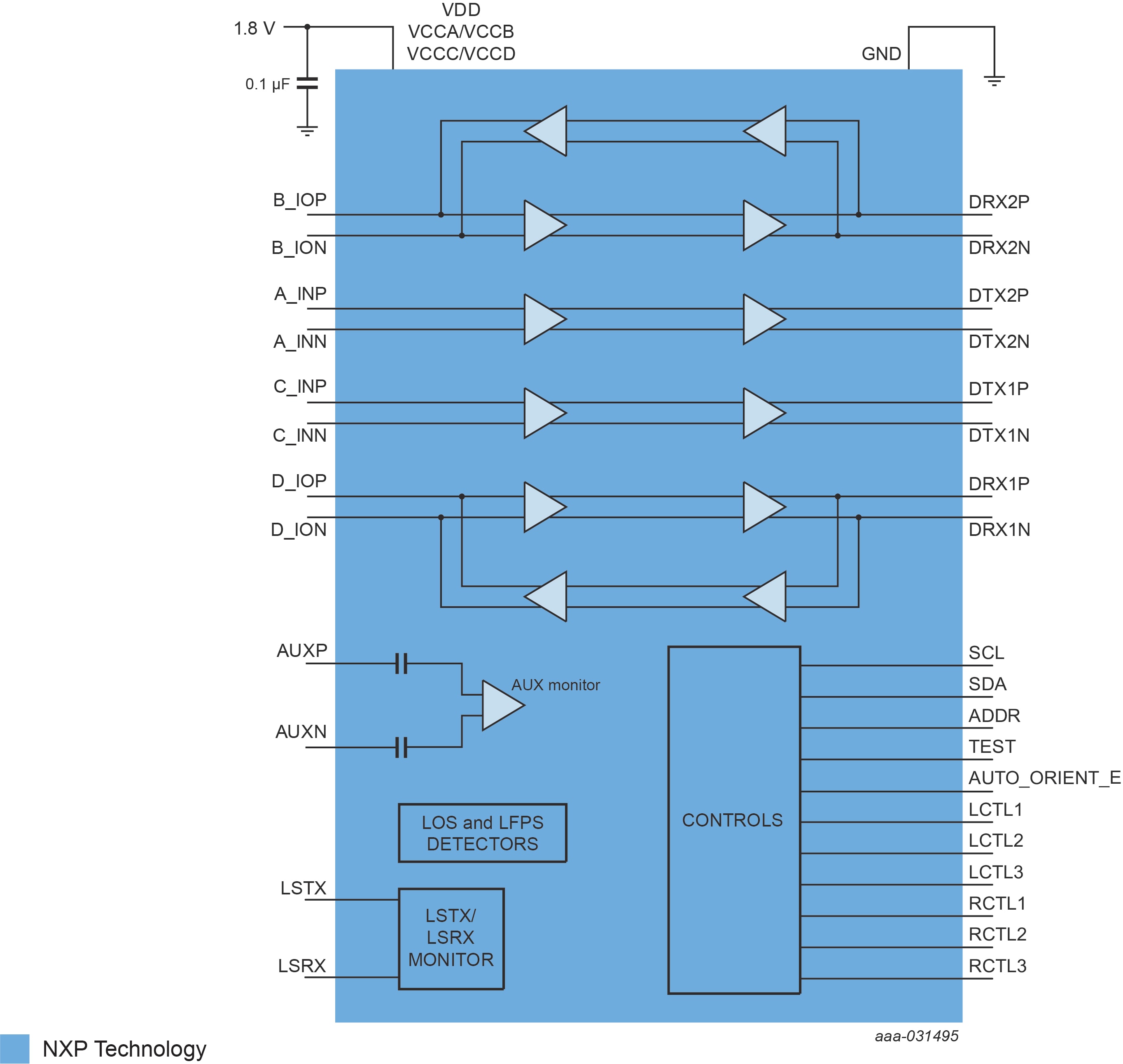
PTN38007 is a high-performance USB4 20 Gbps per lane, 4 lane Linear redriver optimized for USB3.2, DisplayPort 1.4 and Thunderbolt3 Alt modes / USB4 applications on either the downstream facing port (DFP) or upstream facing port (UFP) applications.
This device also implements the snooping monitor of the sideband signals from DP mode (AUX) and Thunderbolt3/USB4 mode (LSTX/RX) to optimize the configuration and recognize power saving modes.
The device provides programmable linear equalization, output swing linearity control by pin strapping or I²C control to improve signal integrity and enable channel extension by reducing inter-symbol interference (ISI).
PTN38007 is typically used between the processor and a retimer that faces USB Type-C ports.
PTN38007 is powered from a 1.8 V supply. It is available in a small high performance HWFLGA36 package.
For additional information and sample availability, contact your local Sales Office.


SuperSpeed USB 3.0 Redriver

3.3 V, Two Differential Channel, 2-1 Multiplexer/Demultiplexer Switch

SuperSpeed USB 3.0 Redriver
USB Type-C SuperSpeed Active Switch
|
|
|
|
|
|
|
|---|---|---|---|---|---|
|
|
|
|
|
|
|
|
|
|
|
|
|
|
|
|
|
|
|
|
|
|
|
|
|
|
|
|
|
|
|
|
|
|
|
|
|
|
|
|
|
|
|
|
|
|
|
|
|
|
|
|
|
|
|
|
|
|
|
|
|
|
|
|
|
|
|
|
|
|
Quick reference to our documentation types
2 documents
Compact List
Please wait while your secure files are loading.
Receive the full breakdown. See the product footprint and more in the eCad file.
Receive the full breakdown. See the product footprint and more in the eCad file.