
Resonant Power Supply Control IC
The TEA2096T is a new synchronous rectifier (SR) controller IC for switched-mode power supplies. It incorporates an adaptive gate drive method for maximum efficiency at any load.
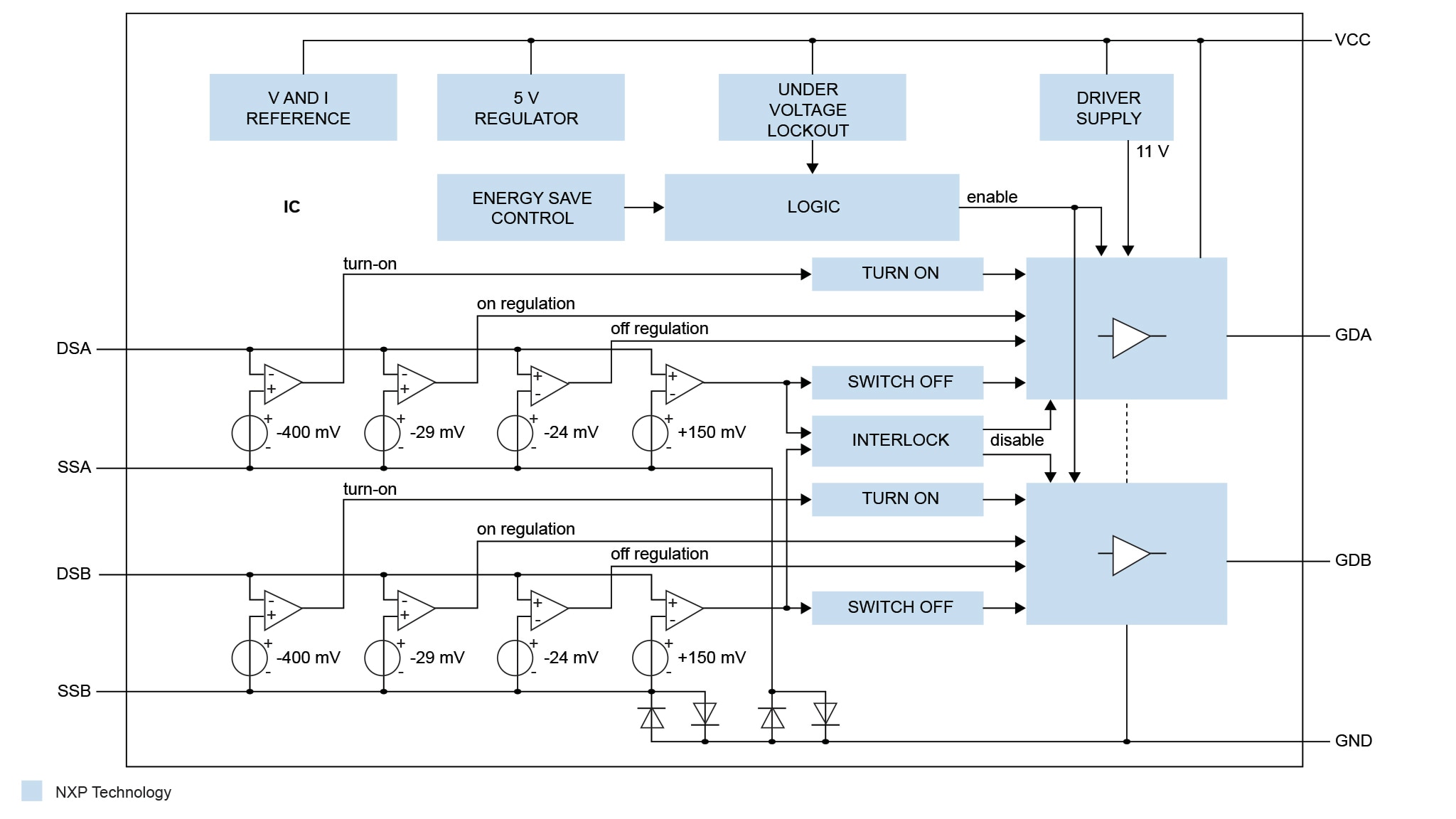
The TEA2096T is a dedicated controller IC for synchronous rectification on the secondary side of resonant converters. It has two driver stages for driving the SR MOSFETs, which rectify the outputs of the central tap secondary transformer windings. The two gate driver stages have their own sensing inputs and operate independently. The TEA2096T is optimized for efficient operation with very low-ohmic MOSFETs and switching at high frequencies. The TEA2096T is fabricated in a silicon-on-insulator (SOI) process.
The TEA2095T/TE is optimally used in resonant power supplies for servers, PCs, TVs, adapters and other switch mode power supplies.

GreenChip Dual Synchronous Rectifier (SR) Controller
PFC Controller
|
|
|
|
|
|
|
|---|---|---|---|---|---|
|
|
|
|
|
|
|
|
|
|
|
|
|
|
|
|
|
|
|
|
|
|
|
|
|
|
|
|
|
|
|
|
|
|
|
|
|
|
|
|
|
|
|
|
|
|
|
|
|
|
|
|
|
|
|
|
|
|
|
|
|
|
|
|
|
|
|
|
|
|
Quick reference to our documentation types
1 documents
Compact List
Please wait while your secure files are loading.
Receive the full breakdown. See the product footprint and more in the eCad file.
Receive the full breakdown. See the product footprint and more in the eCad file.
Quick reference to our software types.
1 software file
Note: For better experience, software downloads are recommended on desktop.
Please wait while your secure files are loading.